欢迎访问浙江锦川阀门有限公司官方网站!!!
咨询热线

13777718274

当前位置:首页  >  新闻中心

低阻力倒流防止器结构特点
发布日期:2023-02-25 14:11:00 点击数:1248新闻来源:


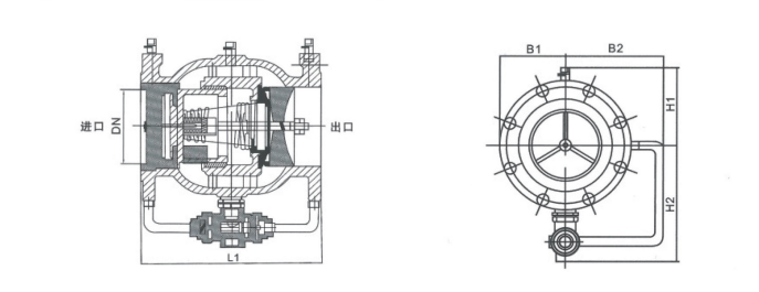
低阻力倒流防止器是由两个隔开相互独立的进、出水止回阀和流体安全控制的泄水阀组成,是一种严格限定管道中的压力水只能单向流动的水力控制组合装置,它的功能是在任何工况下防止管道中的介质倒流,达到避免倒流污染的目的。LHS743X型低阻力倒流防止器是由一个弹簧助闭弹性密封止回阀和中间减压腔内一个独立的水力差动式泄水阀构成。泄水阀的压力腔与上游供水压力相连,三个内部阀门除共用阀体外,无机械上的联系(亦即不会同时发生共同的相关的机械故障,并保证各自操作)。

上一个:低阻力倒流防止器工作原理  下一个:倒流防止器的安装规范

联系我们

欢迎访问浙江锦川阀门有限公司官方网站!!! 公司地址:浙江省温州市永嘉县瓯北街道罗西大街42号   
  • 联系人:黄经理
  • QQ:312895440
  • 手机:13777718274
  • 邮箱:312895440@qq.com

扫一扫 更多精彩

微信二维码